金莎9001zz以诚为本

行业动态

了解最新公司动态及行业资讯

土壤淋洗产生的污泥是怎么处理的

2018-06-13 06:13:00 440 编辑:admin 来源:本站
     土壤淋洗产生的废液,经过处理后会产生大量的污泥。而这类污泥不仅换水量高,体积大,而且含油重金属废渣等和残酸。如果不进行妥善处置,则会产生环境安全隐患。因此,需要提供一种污泥处理设备,可高效处理它土壤淋洗废液处理后产生的污泥。
土壤淋洗
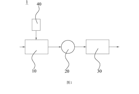
     处理土壤淋洗废液处理后产生的污泥的污泥处理设备,包括一污泥浓缩池、一板框压滤机以及一污泥泵,所述污泥浓缩池将土壤淋洗废液处理后产生的污泥进行浓缩,所述污泥泵将所述污泥浓缩池浓缩后的所述污泥泵入所述板框压滤机,所述板框压滤机将所述污泥浓缩池浓缩后的所述污泥进行机械脱水。该处理土壤淋洗废液处理后产生的污泥的污泥处理设备可高效处理土壤淋洗废液处理后产生的污泥。

30

装备制造经验

立即免费获取土壤修复方案

为用户提供及时、高效、便捷的服务

在线咨询
金莎9001zz以诚为本环境希望与你携手,共创美好未来...
5